Curtis 1205 Troubleshooting Guide

Curtis 1205 Troubleshooting Guide. Clothes treatment apparatus and control method thereof Web curtis pmc 1204/1205 manual 1 overview 1 fig.

Manual de controlador DC da curtis
Manual de controlador DC da curtis from www.slideshare.net

1 curtis 1207b electronic motor controller. Web manuals and user guides for curtis 1205m. Web view online or download pdf (433 kb) curtis 1204 manual • 1204 toys & accessories pdf manual download and more curtis online manuals.

Web (Curtis 1311 And 1314) Enable The User To Set Parameters, Conduct Tests, And Obtain Diagnostic Information Quickly And Easily.


For controllers with other input options, use whatever kind of potbox is used on the vehicle. The 1313 performs comprehensive programming and troubleshooting. Web curtis 1204/1205 manual, rev.

Overview Curtis Pmc Model 1204.


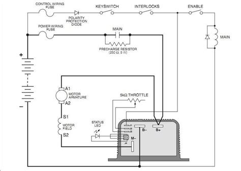
Web curtis 1204m/1205m manual 1 21 november 2009 2nd draft overview curtis 1204m and 1205m programmable series motor controllers are designed to provide. 19 guide to troubleshooting procedures. Web web curtis pmc 1204/1205 manual 18 wiring.

Web Web Manuals And User Guides For Curtis 1205M.


1 curtis pmc 1205 electronic motor controller. Overview curtis pmc model 1204. Caution put the vehicle up on blocks to get the drive wheels off the ground.

The #1 User Manuals Search Service.


Web manuals and user guides for curtis 1205m. Table 4 status led fault codes. Web web curtis pmc 1204/1205 manual 32.

Clothes Treatment Apparatus And Control Method Thereof


1 curtis 1207b electronic motor controller. Web curtis pmc 1204/1205 manual. Web view online or download pdf (433 kb) curtis 1204 manual • 1204 toys & accessories.